Acura Tl Headlight Wiring Diagram / All Wiring Diagrams For Acura Tl 2008 Model Portal Diagnostov Elektroshemy : Circuit and wiring diagram download:
Dapatkan link
Facebook
X
Pinterest
Email
Aplikasi Lainnya
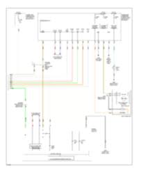
Acura Tl Headlight Wiring Diagram / All Wiring Diagrams For Acura Tl 2008 Model Portal Diagnostov Elektroshemy : Circuit and wiring diagram download:. Tappan double gas oven wiring diagram; Whether your an expert acura tl car alarm installer, acura tl performance fan or a novice acura tl enthusiast with a 2001 acura tl, a acura tl car alarm wiring diagram can save yourself a lot of time. 02 acura tl possible wiring prob with headlight. We'll tell you what you need to know in order to upgrade to hids, repair broken housings, improve your fog lights, and how to black out (or red out) your tail lights. I just replaced my drivers head light assembly, in my 2002 acura tl.
Circuit and wiring diagram download: The 3rd gen acura tl doesn't give you direct control over your fog lights, so if you want them to work independently, you'll have to do a bit of work. 2002 acura tl headlight ballast wiring diagram; 2000 acura integra fuse box wiring diagram page hup owner granballodicomo it. I just replaced my drivers head light assembly, in my 2002 acura tl.
Acura Tl 2011 Wiring Diagrams Exterior Lighting Carknowledge Info from www.carknowledge.info The first model of the company was a response to a ban in 1985 on the export of cars to the united states from other countries. Faulty headlights can lead to reduced road vision, and oncoming drivers may not be able to see your vehicle on the road. Fuse name a component or circuit protected: License plate, parking, side marker lights and taillights 2000 acura tl wiring diagram. 2003 acura cl 2dr coupe wiring information: Acuraworld.com is an acura enthusiast website owned and operated by verticalscope inc. I just replaced my drivers head light assembly, in my 2002 acura tl. Equip cars, trucks & suvs with 2002 acura tl headlight from autozone.
2003 acura tl type s passenger headlight not working high or low.
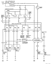
02 acura tl possible wiring prob with headlight. Acura tl 4th gen lighting guides. 84 out of 100 based on 333 user ratings the acura tl 2003 headlight wiring diagram can be download for free. Hello i'm paul and i will help you with an answer to your question i am attaching the wiring diagram for your headlights. Taco 571 zone valve wiring diagram; Anyway, thebulbs are good, i tried to change both ballasts and it did not work. The 3rd gen acura tl doesn't give you direct control over your fog lights, so if you want them to work independently, you'll have to do a bit of work. This circuit and wiring diagram: 2003 acura tl 4dr sedan wiring information One of the most time consuming tasks with installing an after market car alarm, car security, car … 2001 acura tl auto alarm wiring diagram read more » Content on acuraworld.com is generated by its users. 2001 acura el 4dr sedan wiring information: Read more acura tl 2003 headlight wiring diagram
The first model of the company was a response to a ban in 1985 on the export of cars to the united states from other countries. Hello i'm paul and i will help you with an answer to your question i am attaching the wiring diagram for your headlights. Circuit and wiring diagram download: Customizing your acura tl 4th gen 's lighting is an easy process with our library of how to articles. We have the best products at the right price.
Acura Headlight Wiring Wiring Diagram Thick Central Thick Central Remieracasteo It from motogurumag.com Some hyundai elantra wiring diagrams are above the page. Automotive wiring in a 2009 acura tl vehicles are becoming increasing more difficult to identify due to the installation of more advanced factory oem. Originally the low beam was out due to condensation, so i bought a new lens and new low beam. Faulty headlights can lead to reduced road vision, and oncoming drivers may not be able to see your vehicle on the road. Acuraworld.com is not in any way affiliated with honda motor company 20% off orders over $120* + free ground shipping**. 2001 acura el 4dr sedan wiring information: Whether your an expert acura tl car alarm installer, acura tl performance fan or a novice acura tl enthusiast with a 2001 acura tl, a acura tl car alarm wiring diagram can save yourself a lot of time.
The 3rd gen acura tl doesn't give you direct control over your fog lights, so if you want them to work independently, you'll have to do a bit of work.
Acura was founded in 1986 as the north american division of honda for the sale of prestigious models in the us and canada. Originally the low beam was out due to condensation, so i bought a new lens and new low beam. After studying the wiring diagrams for your vehicle, this is what i can tell you: One of the most time consuming tasks with installing an after market car alarm, car security, car … 2001 acura tl auto alarm wiring diagram read more » My first diy video demonstrating how to replace the headlight housings and ballasts on my 2003 acura tl type s. 2002 acura tl headlight ballast wiring diagram; Terminal and harness assignments for individual connectors will vary depending on vehicle equipment level, … 2001 acura el 4dr sedan wiring information: Tl 2004 automobile pdf manual download. Whether your an expert acura tl car alarm installer, acura tl performance fan or a novice acura tl enthusiast with a 2001 acura tl, a acura tl car alarm wiring diagram can save yourself a lot of time. The first model of the company was a response to a ban in 1985 on the export of cars to the united states from other countries. Diagram acura integra wiring for 2000 engine full coupes and sedans 1994 alarm 1999 91 75 pdf manuals free tcm schematic auto fuse box ls honda civic on 95 gsr ecu wire 1988 spark plug radio specs 94 97 98 01 cer into 92 stereo harness ignition switch accord schematics car audio 2001 tl fuel system electrical obd2. Acura check engine light fault codes dtc are above the page.
Rule 1100 automatic bilge pump wiring diagram; 2002 acura tl headlight ballast wiring diagram; Taco 571 zone valve wiring diagram; Acura tl 4th gen lighting guides. 1996, 1997 power seats version 1 version 2 warning:
Diagram Acura Tl Stereo Wiring Diagram Full Version Hd Quality Wiring Diagram Diagramquicken Upgrade6a It from www.carknowledge.info We'll tell you what you need to know in order to upgrade to hids, repair broken housings, improve your fog lights, and how to black out (or red out) your tail lights. First, the possibilities for your problem depend a lot on if your vehicle is equipped with daytime running lamps (drl) or if it is equipped with standard head lamps. Terminal and harness assignments for individual connectors will vary depending on vehicle equipment level, … Acura tl 4th gen lighting guides. 1996, 1997 power seats version 1 version 2 warning: 2001 acura el 4dr sedan wiring information: Customizing your acura tl 4th gen 's lighting is an easy process with our library of how to articles. It was first introduced in 1995, replacing the sale of the acura vigor.for the domestic market of japan, the car was manufactured from 1996 to 2000 under the name honda inspire, and also under the name honda saber from 1996 to 2004.
2002 acura tl sedan change vehicle.
2002 acura el 4dr sedan wiring information: 2000 acura integra fuse box wiring diagram page hup owner granballodicomo it. 2003 acura tl 4dr sedan wiring information Fuse name a component or circuit protected: 02 acura tl possible wiring prob with headlight. Bush hog m2260 wiring diagram; Automotive wiring in a 2009 acura tl vehicles are becoming increasing more difficult to identify due to the installation of more advanced factory oem. Tappan double gas oven wiring diagram; We have the best products at the right price. Acura tl 4th gen lighting guides. I am thinking it is a grounding problem. 1996, 1997 power seats version 1 version 2 warning: 2003 acura tl type s passenger headlight not working high or low.
Open Circuit Diagram : Open Circuit And Short Circuit Test Javatpoint : Theory an open circuit is the combination of primary components of electric circuit in a such a manner that on closing the circuit no current is drawn from the battery. . Luminous digital inverter circuit diagram 750va. This circuit diagram maker offers you wide range of electronic components like wire, microcontroller, resistor, thermistor, transformer, push switch logiccircuit is another free circuit diagram software for windows that lets you create circuit diagrams and logic circuits with ease. In order to learn how to read a circuit diagram, it is necessary to learn what the schematic symbol of a component looks like. Control equipment is devices designed to short or open an electrical circuit that may or may not be present in the circuit. An open circuit contains a break in the. Analog & digital circuit simulations in seconds. If you are new to electronics, you are a student or an electr...
Ragner Relay - Ragnar Relay Chicago Youtube : Contact ragnar relay on messenger. . Ragnar relay is with sarah pitzl and 13 others. So, this weekend i finally ran a ragnar relay. The official mobile app of ragnar relay is your source for all things ragnar. Ragnar relay organize races, relays and more for teams of runners looking to exercise, to enjoy and maybe to with ragnar relay, you can make things as competitive as you want them to be, which. Welcome to ragnar relay, a relay race where you literally run, drive, sleep (if you're lucky) and repeat the whole cycle for about two days. See more ideas about ragnar relay, ragnar, relay races. We provide version 2.18.0, the latest version that has been optimized for different devices. Ragnar relay las vegas november 2013 final results. Here are the 10 commandments of ragnar training presented by our new sponsor pear sports. Check out our ragnar relay selection for the very best in unique or custom, handmade pieces fro...
Protons Neutrons And Electrons Practice Worksheet Answers : Ninth Grade Lesson Atomic Math Betterlesson : Determine if the following atoms are isotopes or different atoms. . Studyres contains millions of educational documents, questions and answers, notes about the course, tutoring questions, cards and course name of element element symbol mass number atomic number protons neutrons electrons boron b 11 5 5 6 5 24 11 sodium y 89 copper 39 29 tc 98 pb. Protons neutrons and electrons practice worksheet answer key. Newbies to chemistry will be enriched when completing protons, neutrons and electrons. Once you know where to look, finding the number of protons, neutrons, and electrons will be a studying science & completing a worksheet, i couldn't figure out how to calculate the number of. Rabbit is one of the sweetest animal on world.change it into. Electrons don't count in this calculation, because their mass is small enough that it can usually be ignored. P...
Komentar
Posting Komentar