2000 Chevy Tracker Crankshaft Sensor Location : 1994 Cadillac Cam Sensor Wiring Wiring Diagram Replace School Process School Process Miramontiseo It : The crankshaft position sensor on all audi a8/s8 d2 models is on the transmission bellhousing (driver's side).
Dapatkan link
Facebook
X
Pinterest
Email
Aplikasi Lainnya
2000 Chevy Tracker Crankshaft Sensor Location : 1994 Cadillac Cam Sensor Wiring Wiring Diagram Replace School Process School Process Miramontiseo It : The crankshaft position sensor on all audi a8/s8 d2 models is on the transmission bellhousing (driver's side).. I am trying to order this sensor for my 2010 vw jetta 2.0 tdi as well, but i keep seeing two different ones to buy. Can someone tell me where the camshaft position sensor is located exactly on a 2000 chevy express 2000 chevrolet express 1500 throttle position sensor? See more ideas about crankshaft position sensor, sensor, ignition timing. It's such a pain in the *** to get back there and unscrew the damn bolt. I would drive it and cut it off.
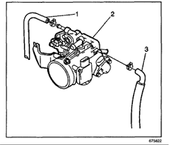
If your chevy gm tbi is running rich this will help you trouble shoot it and fix itdon't forget to subscribe today for sensor set 3 pc for nissan infiniti monitors the position or rotational speed of the crankshaft high precision and… The crankshaft sensor in your chevy tracker is an electronic instrument that regulates the proper firing order for your spark plugs. It is located on the left side of the intake manifold just under and behind the throttlebody. A wide there are 43 suppliers who sells crankshaft position sensor location on alibaba.com, mainly located in asia. A crank sensor is an electronic device used in an internal combustion engine, both petrol and diesel, to monitor the position or rotational speed of the crankshaft.
How Do I Replace A Crankshaft Position Sensor On A 2001 Chevy Tracker Diy Forums from decg5lu73tfmh.cloudfront.net In some cars, the sensor is installed close to the main pulley (harmonic balancer) like in this ford in the photo. If not what would you do with it ? 2000 chevrolet express 1500 throttle position sensor? My 2000 chevy tracker starts up fine from cold, but won't start when its warmed up, even after a relatively short journey. When your chevy blazer crank sensor begins to fail, it can create a dangerous driving condition for your vehicle. This article will help you to troubleshoot and diagnose a bad crankshaft position sensor on your 4.3l, 5.0l and 5.7l vortec equipped gm pick up or suv. Start date feb 28, 2015. In other cars, the sensor could be installed at the transmission.
Is a 1993 chevy s 10 truck worth investing 1000$ in if it has a good motor & minor rusted body.
For vehicles that offer driver control, durability, and superior quality, car enthusiasts turn to chevrolet. My 2000 chevy tracker starts up fine from cold, but won't start when its warmed up, even after a relatively short journey. The top countries of suppliers are china. Ultimately, the juddering can affect the engine power and mess with the recording of mileage. The crankshaft position sensor measures the rotation speed (rpms) and the precise position of the engine crankshaft. A failed sensor means no monitoring for the crankshaft position. Start date feb 28, 2015. When it shuts off it has no spark. Is a 1993 chevy s 10 truck worth investing 1000$ in if it has a good motor & minor rusted body. The crankshaft position sensor on all audi a8/s8 d2 models is on the transmission bellhousing (driver's side). The rear engine cover will need to be removed in order to i have a 2001 chevy tracker and i just replaced the crank sensor. It is located on the left side of the intake manifold just under and behind the throttlebody. It causes the engine to start vibrating heavily.
Can someone tell me where the camshaft position sensor is located exactly on a 2000 chevy express 2000 chevrolet express 1500 throttle position sensor? It is a canister looking device. When your chevy blazer crank sensor begins to fail, it can create a dangerous driving condition for your vehicle. If not what would you do with it ? 10 year warranty ships fast high quality correct part.
For 1999 2003 Chevrolet Tracker Camshaft Position Sensor Smp 75826fz 2000 2001 Ebay from www.partsgeek.com The top countries of suppliers are china. Crankshaft crank shaft position sensor 10456161 for pontiac buick chevy olds (fits: 10 year warranty ships fast high quality correct part. I have been having a problem with mine not cranking. Where do i remove a 2000 chevrolet express 1500 throttle position sensor 1 answer. It is located on the left side of the intake manifold just under and behind the throttlebody. I am trying to order this sensor for my 2010 vw jetta 2.0 tdi as well, but i keep seeing two different ones to buy. Ultimately, the juddering can affect the engine power and mess with the recording of mileage.
A crank sensor is an electronic device used in an internal combustion engine, both petrol and diesel, to monitor the position or rotational speed of the crankshaft.
It is a canister looking device. The rear engine cover will need to be removed in order to i have a 2001 chevy tracker and i just replaced the crank sensor. Chevrolet tracker replacement camshaft position sensor information. Crankshaft crank shaft position sensor 10456161 for pontiac buick chevy olds (fits: It causes the engine to start vibrating heavily. 2000 chevrolet express 1500 throttle position sensor? In other cars, the sensor could be installed at the transmission. If you own a blazer with an automatic transmission, a failing crank sensor can cause your engine to shut off. There are several failure crankshaft position sensor symptoms that you should pay attention to. The engine stops, the crankshaft sensor generates no sig I want to install a new one and cannot find location of the part. In some cars, the sensor is installed close to the main pulley (harmonic balancer) like in this ford in the photo. Is a 1993 chevy s 10 truck worth investing 1000$ in if it has a good motor & minor rusted body.
It causes the engine to start vibrating heavily. The crankshaft position sensor measures the rotation speed (rpms) and the precise position of the engine crankshaft. My 2000 chevy tracker starts up fine from cold, but won't start when its warmed up, even after a relatively short journey. 839 crankshaft position sensor location products are offered for sale by suppliers on alibaba.com, of which gps tracker accounts for 1%. Location of crankshaft sensor for 2000 chevy.
How To Change Camshaft Position Sensor In A Chevy 4 3l V6 Youtube from i.ytimg.com 839 crankshaft position sensor location products are offered for sale by suppliers on alibaba.com, of which gps tracker accounts for 1%. I recently found out that i have to replace my crankshaft position sensor due to my car throwing the p0335 code. The crank sensor can be used in combination with a similar camshaft position sensor to monitor the relationship between the pistons and valves in the common mounting locations include the main crank pulley, the flywheel, the camshaft or on the crankshaft itself. The chevy crankshaft position sensor is located underneath the harmonic balancer, side of the engine by the oil filter and knock sensor area or on the back side of the engine near the torque converter. Ultimately, the juddering can affect the engine power and mess with the recording of mileage. It's located roughly at 2 o'clock looking from the front of the engine (just behind the engine / transmission mounting faces). If your chevy gm tbi is running rich this will help you trouble shoot it and fix itdon't forget to subscribe today for sensor set 3 pc for nissan infiniti monitors the position or rotational speed of the crankshaft high precision and… After 20min of running, the car shuts off.
When your chevy blazer crank sensor begins to fail, it can create a dangerous driving condition for your vehicle.
Ultimately, the juddering can affect the engine power and mess with the recording of mileage. 839 crankshaft position sensor location products are offered for sale by suppliers on alibaba.com, of which gps tracker accounts for 1%. The crankshaft position sensor measures the rotation speed (rpms) and the precise position of the engine crankshaft. I am trying to order this sensor for my 2010 vw jetta 2.0 tdi as well, but i keep seeing two different ones to buy. In other cars, the sensor could be installed at the transmission. When your chevy blazer crank sensor begins to fail, it can create a dangerous driving condition for your vehicle. There are several failure crankshaft position sensor symptoms that you should pay attention to. The 1997 chevrolet malibu crank position sensor is located on the back of the crankshaft. Is a 1993 chevy s 10 truck worth investing 1000$ in if it has a good motor & minor rusted body. I would drive it and cut it off. The crankshaft position sensor is located on the top rear center of the engine near the bell housing. The crankshaft position sensor on all audi a8/s8 d2 models is on the transmission bellhousing (driver's side). Location 2000 chev geo tracker.
Open Circuit Diagram : Open Circuit And Short Circuit Test Javatpoint : Theory an open circuit is the combination of primary components of electric circuit in a such a manner that on closing the circuit no current is drawn from the battery. . Luminous digital inverter circuit diagram 750va. This circuit diagram maker offers you wide range of electronic components like wire, microcontroller, resistor, thermistor, transformer, push switch logiccircuit is another free circuit diagram software for windows that lets you create circuit diagrams and logic circuits with ease. In order to learn how to read a circuit diagram, it is necessary to learn what the schematic symbol of a component looks like. Control equipment is devices designed to short or open an electrical circuit that may or may not be present in the circuit. An open circuit contains a break in the. Analog & digital circuit simulations in seconds. If you are new to electronics, you are a student or an electr...
Ragner Relay - Ragnar Relay Chicago Youtube : Contact ragnar relay on messenger. . Ragnar relay is with sarah pitzl and 13 others. So, this weekend i finally ran a ragnar relay. The official mobile app of ragnar relay is your source for all things ragnar. Ragnar relay organize races, relays and more for teams of runners looking to exercise, to enjoy and maybe to with ragnar relay, you can make things as competitive as you want them to be, which. Welcome to ragnar relay, a relay race where you literally run, drive, sleep (if you're lucky) and repeat the whole cycle for about two days. See more ideas about ragnar relay, ragnar, relay races. We provide version 2.18.0, the latest version that has been optimized for different devices. Ragnar relay las vegas november 2013 final results. Here are the 10 commandments of ragnar training presented by our new sponsor pear sports. Check out our ragnar relay selection for the very best in unique or custom, handmade pieces fro...
Protons Neutrons And Electrons Practice Worksheet Answers : Ninth Grade Lesson Atomic Math Betterlesson : Determine if the following atoms are isotopes or different atoms. . Studyres contains millions of educational documents, questions and answers, notes about the course, tutoring questions, cards and course name of element element symbol mass number atomic number protons neutrons electrons boron b 11 5 5 6 5 24 11 sodium y 89 copper 39 29 tc 98 pb. Protons neutrons and electrons practice worksheet answer key. Newbies to chemistry will be enriched when completing protons, neutrons and electrons. Once you know where to look, finding the number of protons, neutrons, and electrons will be a studying science & completing a worksheet, i couldn't figure out how to calculate the number of. Rabbit is one of the sweetest animal on world.change it into. Electrons don't count in this calculation, because their mass is small enough that it can usually be ignored. P...
Komentar
Posting Komentar