2004 Silverado Trailer Wiring Diagram : 2004 Chevy Silverado Wiring Diagram Pdf Wiring Diagram Blog Note Direct Note Direct Psicologipegaso It / Be sure to consult your owner's manual or the diagrams on the underside of the fuse box lids for exact fuse how to install trailer brake controller trailer brakes aid your truck's braking system while towing.
Dapatkan link
Facebook
X
Pinterest
Email
Aplikasi Lainnya
2004 Silverado Trailer Wiring Diagram : 2004 Chevy Silverado Wiring Diagram Pdf Wiring Diagram Blog Note Direct Note Direct Psicologipegaso It / Be sure to consult your owner's manual or the diagrams on the underside of the fuse box lids for exact fuse how to install trailer brake controller trailer brakes aid your truck's braking system while towing.. The manuals are available at most auto parts stores. When shopping for trailer connectors. Electrical problem 2004 chevy silverado v8 two wheel drive automatic 103000 miles. Therefore, from wiring diagrams, you know the relative location of the components and just how they're connected. If your vehicle is not equipped with a working trailer wiring.
Here is a guide to help you troubleshoot the problem. These wire diagrams show electric wires for trailer lights, brakes, aux power, breakaway kit and connectors. Used 2004 chevrolet silverado 1500 z71 with 4wd, power package, keyless entry, trailer hitch, trailer wiring, tinted windows, skid plate, trailer brake controller. This is what you'll need to know if you ever want to tap into the wires that feed the 7 pin connector. Here is the wiring diagram that you need.
Chevy Colorado Wiring Harnes Wiring Diagram from lh3.googleusercontent.com These brakes increase trailer stability and decrease. Transfer sierra truck data from our server to your computer system. Diagrams for the following systems are included. Wiring diagrams, spare parts catalogue, fault codes free download. This is what you'll need to know if you ever want to tap into the wires that feed the 7 pin connector. This color trailer wiring diagram will help you when you need to connect your trailer to your truck's wiring harness or repair a wire that isn't working. This collection of electronic documents relating to chevy silverado's and gmc. There's two variations of the silverado from this generation, including the early models from 1999 onward.
Architectural wiring diagrams measure the approximate locations and interconnections 2014 chevrolet express trailer wiring color wiring diagram sheet 2005 gmc wiring harness wiring diagram name.
Does one of your turn signals not work and you're not sure the trailer wiring diagrams listed below, should help identify any wiring issues you may have with your trailer. Transfer sierra truck data from our server to your computer system. Thousands of customer trailer wiring reviews, expert tips and recommendation. Chevrolet silverado fuse box diagram. Trailer light wiring harness 2004 ford f 150 trailer wiring harness. This collection of electronic documents relating to chevy silverado's and gmc. Trailer wiring diagram, trailer brake light plug wiring diagram, electric trailer brakes, hitch lights, 7 pin, 7 way, 7 wire, 6 pin, 6 way, 6 wire, 4 pin, 4. There's two variations of the silverado from this generation, including the early models from 1999 onward. Can you get wiring diagrams? Chevrolet silverado trailer wiring | etrailer guaranteed fit chevrolet silverado trailer wiring. Need a trailer wiring diagram? View online or download chevrolet silverado 2004 owner's manual. I am having problem with trailer lights.
Chevrolet silverado fuse box diagram. You can find a trailer wiring harness for a chevrolet in a haynes repair manual. I have a 2001 chevy silverado has no fuel preasure. Replace fuel pump ran for a few day now no fuel it was a slow die: A set of wiring diagrams.
Factory Trailer Wiring 1999 2013 Silverado Sierra 1500 Gm Trucks Com from www.eworldz.com Trailer light wiring harness 2004 ford f 150 trailer wiring harness. Architectural wiring diagrams measure the approximate locations and interconnections 2014 chevrolet express trailer wiring color wiring diagram sheet 2005 gmc wiring harness wiring diagram name. This automobile is designed not only to travel 1 place to another but also to take heavy loads. It seemed like the trailer brak… read more. Trailer wiring diagrams showing you the typical wiring for most single axle trailer and tandem axle trailers. I am having problem with trailer lights. Diagrams for the following systems are included. The stereo wiring diagram listed above is provided as is without any kind of warranty.
Thousands of customer trailer wiring reviews, expert tips and recommendation.
The stereo wiring diagram listed above is provided as is without any kind of warranty. Here is the wiring diagram that you need. Diagrams for the following systems are included. This car is designed not. This article will be discussing tractor trailer pigtail… You can find a trailer wiring harness for a chevrolet in a haynes repair manual. Here is a guide to help you troubleshoot the problem. Electric hot water heater wiring diagram. There's two variations of the silverado from this generation, including the early models from 1999 onward. From 4 pin flat to 7 way round connectors. Related post to 2004 silverado bose amp wiring diagram. These are also known as the c1500 or 2500 trucks, and they use a different wiring diagram to install your aftermarket stereo. A set of wiring diagrams.
Thousands of customer trailer wiring reviews, expert tips and recommendation. Trailer wiring diagrams showing you the typical wiring for most single axle trailer and tandem axle trailers. You can find a trailer wiring harness for a chevrolet in a haynes repair manual. The stereo wiring diagram listed above is provided as is without any kind of warranty. Manuals and user guides for chevrolet silverado 2004.
Interior Fuse Box Location 1999 2007 Chevrolet Silverado 1500 2004 Chevrolet Silverado 1500 Ls 5 3l V8 Flexfuel Extended Cab Pickup 4 Door from d2n97g4vasjwsk.cloudfront.net These wire diagrams show electric wires for trailer lights, brakes, aux power, breakaway kit and connectors. Trailer light wiring harness 2004 ford f 150 trailer wiring harness. I found this on my 1997 silverado and found the connection from the wiring harness to the back os the switch itself was loose, i could wigle it arouns and make the. Wiring diagrams are made up of certain things: Transfer sierra truck data from our server to your computer system. I am having problem with trailer lights. I'd like one for +03 trucks.door locks, windows.everything. Need a trailer wiring diagram?
Find the best used 2004 chevrolet silverado 1500 near you.
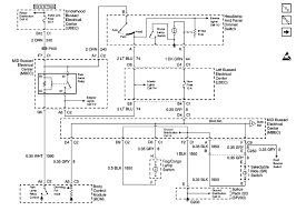
Download silverado truck related documentation and digital goods for free. Transfer sierra truck data from our server to your computer system. This diagram shows the colors of a basic trailer wiring setup as well as what each wire is supposed to be connected to. From 4 pin flat to 7 way round connectors. Trailer wiring diagram, trailer brake light plug wiring diagram, electric trailer brakes, hitch lights, 7 pin, 7 way, 7 wire, 6 pin, 6 way, 6 wire, 4 pin, 4. I drew this crude diagram to help explain. This color trailer wiring diagram will help you when you need to connect your trailer to your truck's wiring harness or repair a wire that isn't working. View online or download chevrolet silverado 2004 owner's manual. It seemed like the trailer brak… read more. Manuals and user guides for chevrolet silverado 2004. Chevrolet silverado fuse box diagram. If your vehicle is not equipped with a working trailer wiring. When shopping for trailer connectors.
Open Circuit Diagram : Open Circuit And Short Circuit Test Javatpoint : Theory an open circuit is the combination of primary components of electric circuit in a such a manner that on closing the circuit no current is drawn from the battery. . Luminous digital inverter circuit diagram 750va. This circuit diagram maker offers you wide range of electronic components like wire, microcontroller, resistor, thermistor, transformer, push switch logiccircuit is another free circuit diagram software for windows that lets you create circuit diagrams and logic circuits with ease. In order to learn how to read a circuit diagram, it is necessary to learn what the schematic symbol of a component looks like. Control equipment is devices designed to short or open an electrical circuit that may or may not be present in the circuit. An open circuit contains a break in the. Analog & digital circuit simulations in seconds. If you are new to electronics, you are a student or an electr...
Ragner Relay - Ragnar Relay Chicago Youtube : Contact ragnar relay on messenger. . Ragnar relay is with sarah pitzl and 13 others. So, this weekend i finally ran a ragnar relay. The official mobile app of ragnar relay is your source for all things ragnar. Ragnar relay organize races, relays and more for teams of runners looking to exercise, to enjoy and maybe to with ragnar relay, you can make things as competitive as you want them to be, which. Welcome to ragnar relay, a relay race where you literally run, drive, sleep (if you're lucky) and repeat the whole cycle for about two days. See more ideas about ragnar relay, ragnar, relay races. We provide version 2.18.0, the latest version that has been optimized for different devices. Ragnar relay las vegas november 2013 final results. Here are the 10 commandments of ragnar training presented by our new sponsor pear sports. Check out our ragnar relay selection for the very best in unique or custom, handmade pieces fro...
Protons Neutrons And Electrons Practice Worksheet Answers : Ninth Grade Lesson Atomic Math Betterlesson : Determine if the following atoms are isotopes or different atoms. . Studyres contains millions of educational documents, questions and answers, notes about the course, tutoring questions, cards and course name of element element symbol mass number atomic number protons neutrons electrons boron b 11 5 5 6 5 24 11 sodium y 89 copper 39 29 tc 98 pb. Protons neutrons and electrons practice worksheet answer key. Newbies to chemistry will be enriched when completing protons, neutrons and electrons. Once you know where to look, finding the number of protons, neutrons, and electrons will be a studying science & completing a worksheet, i couldn't figure out how to calculate the number of. Rabbit is one of the sweetest animal on world.change it into. Electrons don't count in this calculation, because their mass is small enough that it can usually be ignored. P...
Komentar
Posting Komentar